duohvalve@163.com
电话:0530-2020122
手机:18661582618
CPVC流量标定柱加药装置校准计量泵专用配
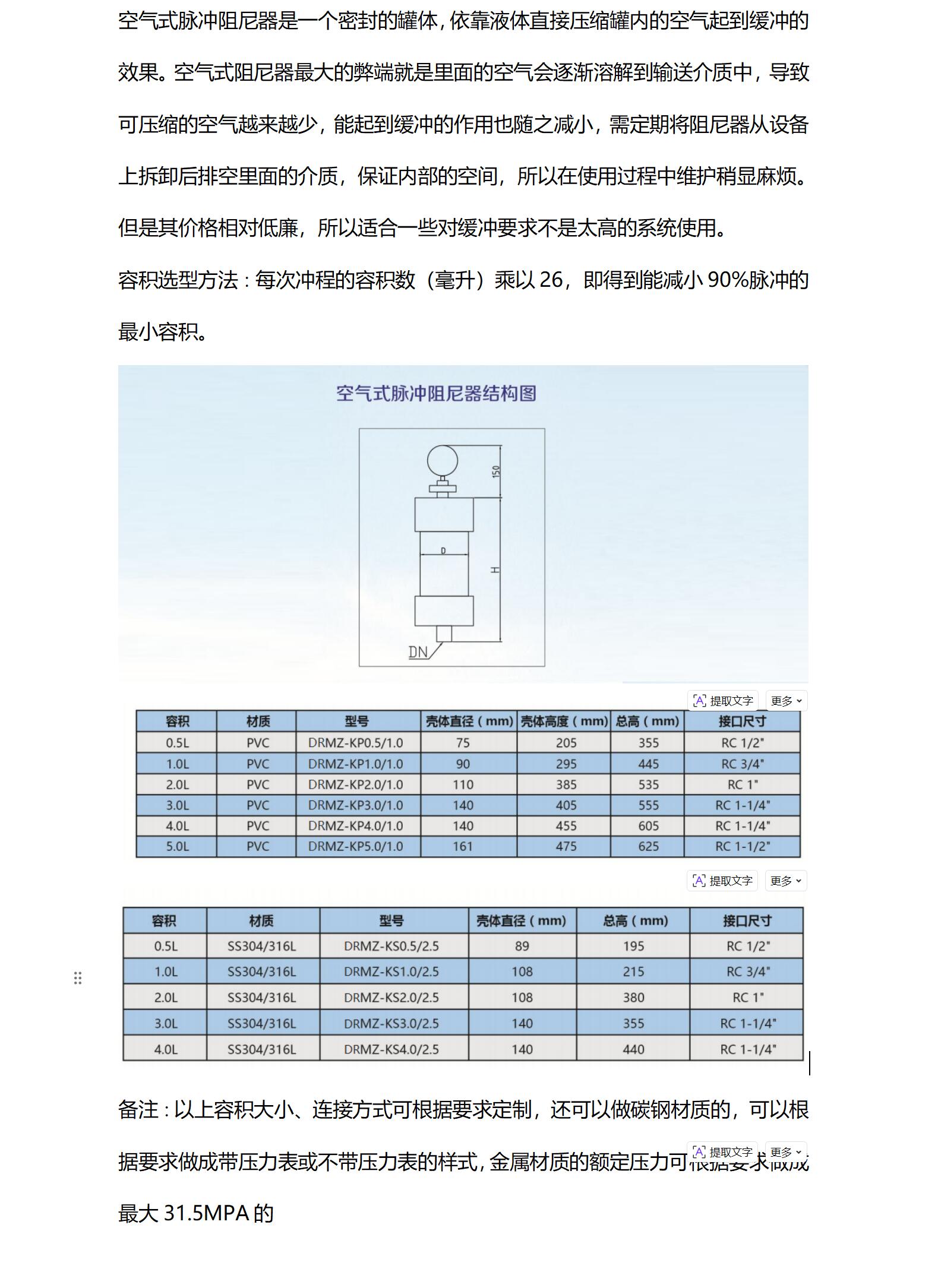
PVC空气式脉冲阻尼器缓冲罐加药系统装置
不锈钢卡套式气动高压背压阀溢流阀管道
不锈钢气动高压减压阀稳压阀管道自动压
不锈钢直角式溢流阀安全泄压阀法兰背压
不锈钢卡套式气体减压阀稳压阀氢气氧气
不锈钢气体高压管路防火器止火阀氢气阻
不锈钢气动中低压减压阀稳压阀工业管道
不锈钢高温中高压背压阀焊接安全溢流阀
Y42X直接作用式薄膜弹簧减压阀活塞式液体
产品名称:
留言内容:
您的单位:
您的姓名:
联系电话:
常用邮箱:
详细地址:
上一篇:不锈钢卡套式气动高压背压阀溢流阀管道自动调节器电气比例调节阀
下一篇:CPVC流量标定柱加药装置校准计量泵专用配件塑料标定管
多合阀门客服